EXOLÖF

Antenn GSM 2G/3G

Våra GSM-antenner används idag mestadels på mobila applikationer, där vi skapar kundunika lösningar med olika kablagelängder och olika typer av kontaktdon.

Denna GSM-antenn är producerad för användning på frekvenserna 824-960MHz & 1710-2170MHz.

 

Godkännande:                  RoHS

IP Klass:                          IP66

VSWR:                            < 2.5

Peak Gain:                       +2 dBi

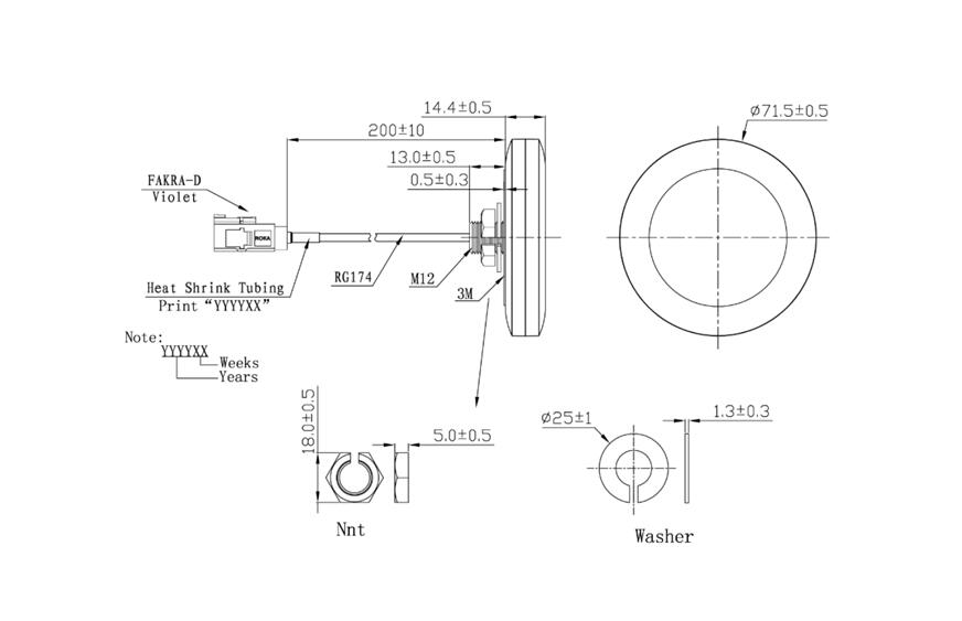
Mått:                                71,5mm x 14,5 mm

Impedance:                      50 Ω 

Temp område:                 -40 till 85 °C

Kabeltyp:                         RG174

Kontakttyp:                      Fakra D - ROKA

Moment vid montering:    1Nm till 3Nm

Monteringshål:                 ø12 (+2mm/-0mm)

Kabellängder:                   Varianter mellan 20-500 cm

 

Andra kabeltyper och kontakttyper tillgängliga vid förfrågan & MOQ

 

Läs mer
  • IP66
  • VSWR <2.5
  • +2dBi
  • 71,5 x 14,5mm
  • -40 till 85°C

Vald variant

Fler varianter oem automatic

Teknisk data

Diameter yttre ±10% 71,5 mm
Höjd 14,5 mm
IP-klass IP66
Kabellängd 200 mm
Kontakttyp Fakra D
Peak Gain +2 dBi
Temperaturområde från -40 °C
Temperaturområde till 85 °C
Typ GSM 2G / 3G
VSWR < 2.5

Tekniska illustrationer

Produktbeskrivning

Våra GSM-antenner används idag mestadels på mobila applikationer, där vi skapar kundunika lösningar med olika kablagelängder och olika typer av kontaktdon.

Denna GSM-antenn är producerad för användning på frekvenserna 824-960MHz & 1710-2170MHz.

 

Godkännande:                  RoHS

IP Klass:                          IP66

VSWR:                            < 2.5

Peak Gain:                       +2 dBi

Mått:                                71,5mm x 14,5 mm

Impedance:                      50 Ω 

Temp område:                 -40 till 85 °C

Kabeltyp:                         RG174

Kontakttyp:                      Fakra D - ROKA

Moment vid montering:    1Nm till 3Nm

Monteringshål:                 ø12 (+2mm/-0mm)

Kabellängder:                   Varianter mellan 20-500 cm

 

Andra kabeltyper och kontakttyper tillgängliga vid förfrågan & MOQ

 

Tillbehör

Relaterade produkter

Lär dig mer i Inspo

5G-antenn från Exolöf – stabil kommunikation i industrin
Produktnytt

5G-antenn från Exolöf – stabil kommunikation i industrin

I många moderna industrimiljöer pågår arbetet dygnet runt. Maskiner rör sig, dataflöden ökar och kraven på realtidskommunikation blir allt tydligare. För att allt ska fungera behöver du en antennlösning som klarar samma takt som din produktion. Exolöfs 5G-antenn, som vi på OEM Automatic erbjuder, är utvecklad just för detta: att leverera stabil och robust uppkoppling i miljöer där förutsättningarna snabbt kan förändras.

Antenn
Produktnytt

Framtidens antenn är här

Exolöfs antenn GSM 4G/LTE GPS är en framtidssäkrad puckantenn som är perfekt för montering på fordon och som med sina kommunikativa egenskaper kan bli en del i din IIOT-lösning.

OEM Automatic SE Exolof
Företagsnytt

Exolöf - Produkter anpassade för Nordiskt klimat

Ur högre krav från kunderna och Nordens utmanande klimat föddes Exolöf, ett varumärke med fokus på hög kvalité och kundanpassade lösningar.

Radiostyrning för industrin – så väljer du rätt system
Kunskap

Radiostyrning för industrin – så väljer du rätt system

Radiostyrning är en etablerad teknik för att styra maskiner på avstånd med hög precision, flexibilitet och säkerhet. I många industriella applikationer är det idag en förutsättning för att kunna arbeta effektivt och samtidigt upprätthålla en säker arbetsmiljö. Genom att använda en handenhet och en mottagarenhet kan du arbeta med full rörelsefrihet och samtidigt ha kontroll över hela arbetsområdet. Vi på OEM Automatic erbjuder radiostyrningar från AUTEC i samarbete med RadioControl SMD AB. Lösningarna är utvecklade för att möta kraven i både enkla och avancerade industriella miljöer, med tillgång till lokal support och service.

Ljusbild i arbetsbelysning – så väljer du rätt ljus för din applikation
Kunskap

Ljusbild i arbetsbelysning – så väljer du rätt ljus för din applikation

Att få rätt arbetsbelysning handlar inte bara om hur starkt ljuset är, utan om hur det fungerar i din applikation. Fel ljusbild eller fel placering kan ge sämre sikt, trots att armaturen i sig har hög prestanda. Med arbetsbelysning från Grote och ett mer nyanserat sätt att beskriva ljusprestanda blir det enklare att förstå vad som faktiskt gör skillnad. I denna guide går vi igenom hur ljuset fördelas, hur det förändras över tid och hur du väljer rätt lösning för din applikation.

Kundcase golfbanan
Kundcase

Förlängd säsong på Tranås Golfklubb – med rätt belysning på rangen

När mörkret faller tidigt under stora delar av året gäller det att hitta smarta sätt att hålla verksamheten igång. På Tranås Golfklubb har lösningen blivit en kombination av modern teknik och effektiv belysning – framtagen i samarbete med OEM Automatic.

Favoriter Varianter Kabellängd Pris/enhet
200 mm
1050 mm
1700 mm
3500 mm
4300 mm
5000 mm

Vald variant

Välj en variant i listan

Teknisk rådgivning

Victor Pettersson

Produktansvarig och inköpare, Maskin

Kundsupport
Vår kundsupport svarar på alla typer av frågor.
075-242 42 00
Skicka e-post
FAQ
+ Hur blir jag kund hos er?
För att kunna handla av oss behöver du bli kund. Vi säljer endast till företag och är du privatperson hänvisar vi dig till grossister och återförsäljare. Ansök om att bli kund här. 
Läs mer
+ Vilka priser ser jag?
Är du inloggad visas priser på alla köpbara artiklar. De priser du ser är bruttopriset, din aktuella rabatt samt valutajusterat nettopris.
Läs mer
+ Kan jag se min orderhistorik på er hemsida?
När du har loggat in på hemsidan så hittar du all din orderhistorik under Mina sidor. 
Läs mer
Chatta
BEHÖVER DU HJÄLP?